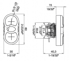
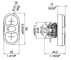
LIGHTED Enquire DESCRIPTION RED + LIGHTED + GREEN BLAKC + LIGHTED + WHITE ALARM + LIGHTED + LIGHT DIMENSIONS UNLIGHTED Enquire DESCRIPTION RED + GREEN BLACK + WHITE ALARM + LIGHT UP + DOWN DIMENSIONS